Ifm Flow Switch Wiring

Sa4110 Flow Sensor Ifm Electronic

Sa4110 Flow Sensor Ifm Electronic

Si Flow Switch

Si Flow Switch

Si5006 Flow Monitor Ifm Electronic

Si5006 Flow Monitor Ifm Electronic

Diagram Ifm Flow Switch Wiring Diagram Full Version Hd Quality Wiring Diagram Myblockdiagrams Anna Maillard Fr

Diagram Ifm Flow Switch Wiring Diagram Full Version Hd Quality Wiring Diagram Myblockdiagrams Anna Maillard Fr

Si5100 Flow Monitor Ifm Electronic

Si5100 Flow Monitor Ifm Electronic

Si5000 Flow Monitor Ifm Electronic

Si5000 Flow Monitor Ifm Electronic

Si5000 Flow Monitor Ifm Electronic

1100 atwater drive malvern pa 19355 we reserve the right to make technical alterations without prior notice.

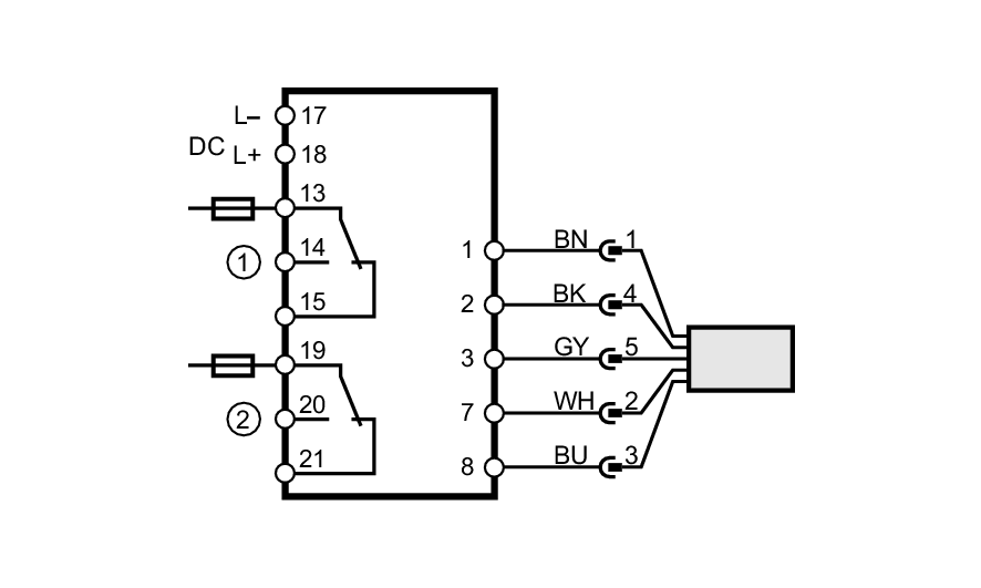
Ifm flow switch wiring.

Mount flow probe b into adapter a. The sr5906 flow monitor can easily be integrated in the application by attaching directly to the flow probe or via a patch cable. Eltra trade is distributor of flow sensors and switches. With our us headquarters and warehouse situated in southeastern pennsylvania we are poised to serve our 26 000 customers nationwide.

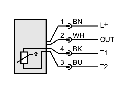
For fluid sensors ifm offers special cables and connectors for factory auto mation. En us si5010 04 09 07 2013 accessory headline. Ifm s product range comprises flow sensors with different measuring principles for monitoring the most varied types of media including water oils and coolants but also air compressed air or aggressive media. Flow sensors pressure sensors temperature sensors diagnostic systems evaluation systems.

Install adapter a into pipe. 1100 atwater drive malvern pa 19355 we reserve the right to make technical alterations without prior notice. Is an iso 9001 2015 certified world leader in the manufacturing of sensors and controls for industrial automation. Ifm efector flow switches are not designed to be used as stand alone devices to protect or guard human life or limb.

Mechatronic flow switches type sbu operate with liquid flows that used for drill cooling water glycol oils and coolants. Flow sensors flow meters. Electronic flow sensors are used to prevent damage or downtime caused by flow interruptions. Flow sensors flow meters.

We ship 90 of our orders within one hour and have an engineering customer support team available as part of our philosophy of. 1100 atwater drive malvern pa 19355 we reserve the right to make technical alterations without prior. Ifm s product range of flow sensors offer different measuring principles materials and displays to meet the requirements of different industrial manufacturing plant operations across the united states. Commonly manufacturing facilities rely on flow sensors to monitor varied types of media from water oils and.

We have a broad catalogue of ifm electronic flow switch. The sr5906 flow monitor from ifm with a programmable output as normally open or normally closed measures liquid and gaseous media via a selectable flow probe. For the sensor wiring which must also be strictly adhered to. Scale drawing wiring 3d pdf pdf data sheet to the selector technical details.

En us sv4610 00 06 07 2015 accessory headline. Flow sensor san12xdbfrkg us 100. Operates on 85 265 v ac. Such flow sensors work on the principle of a spring loaded piston.

Si2000 Flow Monitor Eclass 27273101 27 27 31 01

Si2000 Flow Monitor Eclass 27273101 27 27 31 01

Http Ptacsolutions Com Assets Images Sb 90 1502 B Pdf

Http Ptacsolutions Com Assets Images Sb 90 1502 B Pdf

Si5002 Flow Monitor Ifm Electronic

Si5002 Flow Monitor Ifm Electronic

Sa5000 Flow Sensor Ifm Electronic

Sa5000 Flow Sensor Ifm Electronic

Sf5350 Flow Sensor For Connection To An Evaluation Unit Ifm Electronic

Sf5350 Flow Sensor For Connection To An Evaluation Unit Ifm Electronic

Sc0501 Flow Monitor Eclass 27273101 27 27 31 01

Sc0501 Flow Monitor Eclass 27273101 27 27 31 01

Sby334 Flow Sensor With Integrated Backflow Prevention Ifm Electronic

Sby334 Flow Sensor With Integrated Backflow Prevention Ifm Electronic

Diagram In Pictures Database Ifm Flow Switch Wiring Diagram Just Download Or Read Wiring Diagram Braytech Schematic Onyxum Com

Diagram In Pictures Database Ifm Flow Switch Wiring Diagram Just Download Or Read Wiring Diagram Braytech Schematic Onyxum Com

Sm7000 Magnetic Inductive Flow Meter Eclass 27273101 27 27 31 01

Sm7000 Magnetic Inductive Flow Meter Eclass 27273101 27 27 31 01

Sc0518 Flow Monitor Eclass 27273101 27 27 31 01

Sc0518 Flow Monitor Eclass 27273101 27 27 31 01

Si5004 Flow Transmitter Ifm Electronic

Si5004 Flow Transmitter Ifm Electronic

Si1010 Flow Monitor Eclass 27273101 27 27 31 01

Si1010 Flow Monitor Eclass 27273101 27 27 31 01

Pi2799 Combined Pressure Sensor Eclass 27201302 27 20 13 02

Pi2799 Combined Pressure Sensor Eclass 27201302 27 20 13 02

Sa5010 Flow Sensor Eclass 27273101 27 27 31 01

Sa5010 Flow Sensor Eclass 27273101 27 27 31 01

Sr2301 Control Monitor For Flow Sensors Ifm Electronic

Sr2301 Control Monitor For Flow Sensors Ifm Electronic

Si6800 Flow Monitor Ifm Electronic

Si6800 Flow Monitor Ifm Electronic

Sm6000 Magnetic Inductive Flow Meter Eclass 27273101 27 27 31 01

Sm6000 Magnetic Inductive Flow Meter Eclass 27273101 27 27 31 01

Sa4300 Flow Sensor Eclass 27273101 27 27 31 01

Sa4300 Flow Sensor Eclass 27273101 27 27 31 01

Ifm Flow Meters And Sensors 2012 Brochure

Ifm Flow Meters And Sensors 2012 Brochure

Sa6010 Flow Sensor Ifm Electronic

Sa6010 Flow Sensor Ifm Electronic

Explosion Proof Flow Switch Explosion Proof Flow Switches Field Mount Other Material

Explosion Proof Flow Switch Explosion Proof Flow Switches Field Mount Other Material

Sv5150 Vortex Flow Meter Ifm Electronic

Sv5150 Vortex Flow Meter Ifm Electronic

Pn7001 Pressure Sensor With Display Ifm Electronic

Pn7001 Pressure Sensor With Display Ifm Electronic

Sf5300 Flow Sensor For Connection To Evaluation Units Eclass 27273101 27 27 31 01

Sf5300 Flow Sensor For Connection To Evaluation Units Eclass 27273101 27 27 31 01

Source : pinterest.com